

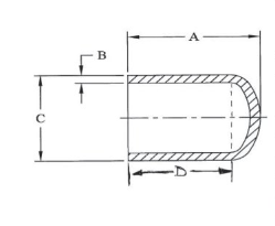
| NOMINAL DIAMETER | A (IN) | B (IN) | C (IN) WALL | D (IN) OD | WEIGHT (LBS) | |
|---|---|---|---|---|---|---|
| SDR 11 (STANDARD DIMENSION RATIO) 160 PSI (WORKING PRESSURE AT 73.4°F) | ||||||
| 3/4" IPS | 2.05 | 0.095 | 1.05 | 1. 77 | 0.02 | |
| 1" !PS | 2.2 | 0.119 | 1.315 | 1.77 | 0.04 | |
| 11/4" !PS | 2.52 | 0.151 | 1.66 | 1. 99 | 0.07 | |
| 1 1/2" !PS | 2.83 | 0.173 | 1.9 | 2.2 | 0.1 | |
| 2" !PS | 3.23 | 0.216 | 2.375 | 2.52 | 0.19 | |
| 3" !PS | 4.72 | 0.318 | 3.5 | 3.7 | 1.59 | |
| 4" !PS | 5.31 | 0.409 | 4.5 | 3.98 | 1.07 | |
| 6" !PS | 6.89 | 0.603 | 6.625 | 4.84 | 2.88 | |
| 8" !PS | 8.66 | 0.785 | 8.625 | 5.83 | 6.32 | |
| 10" !PS | 9.84 | 0.978 | 10.75 | 6.3 | 10.9 | |
| 12" !PS | 11.77 | 1.16 | 12. 75 | 7.52 | 18.39 | |
| NOMINAL DIAMETER | A (IN) | B (IN) | C (IN) WALL | D (IN) OD | WEIGHT (LBS) | |
|---|---|---|---|---|---|---|
| SDR 17 (STANDARD DIMENSION RATIO) ma PSI (WORKING PRESSURE AT 73.4°F) | ||||||
| 2" !PS | 3.23 | 0.14 | 2.375 | 2.52 | 0.12 | |
| 3" !PS | 4.72 | 0.206 | 3.5 | 3.7 | 1.39 | |
| 4" !PS | 5.31 | 0.264 | 4.5 | 3.98 | 0.71 | |
| 6" !PS | 6.89 | 0.39 | 6.625 | 4.84 | 1.98 | |
| 8" !PS | 8.66 | 0.508 | 8.625 | 5.83 | 4.23 | |
| 10" !PS | 9.84 | 0.633 | 10.75 | 6.3 | 7.53 | |
| 12" !PS | 11.77 | 0.75 | 12. 75 | 7.52 | 12.4 | |

Sign up for our mailing list to stay informed and up to date with our latest news and products!
(905) 832 – 0600
2175-A Teston Road
Maple, Ontario
L6A 1T3
(780) 451 – 0238
24790 – 117 Avenue
Acheson, Alberta
T7X 6C2
(604) 882 – 1564
9511 – 194A Street
Surrey, British Columbia
V4N 4G4
(306) 955 – 6005
3926 Arthur Rose Avenue Saskatoon, Saskatchewan
S7P 0C9
(450) 687 – 2721
2750 Rue Bernard-Lefebvre
Laval, Quebec
H7C 0A5






















