

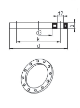
| PIPE DIAMETER | 00 (MM-IN) | D (IN) | D2 (IN) | D3 (IN) | B (IN) | K (IN) | |
|---|---|---|---|---|---|---|---|
| STEEL INSERT. INJECTION M□LDED, HIGH STIFFNESS, DIMENSIONAL AND HEAT STABILITY | |||||||
| 1/2" | 20 - 1/2" - MOP 160 psi | 3.74 | 0.63 | 1.102 | 0.472 | 2.38 | |
| 3/4" | 25 - 3/4" - MOP 160 psi | 4.016 | 0.63 | 1.339 | 0.472 | 2.75 | |
| l" | 32 - l" - MOP 160 psi | 4.488 | 0.630 | 1.654 | 0.630 | 3.120 | |
| 1 1/4" | 40 - 1 1/4" - MOP 160 psi | 5.118 | 0.630 | 2.008 | 0.630 | 3.500 | |
| 1 1/2" | 50 - 1 1/2" - MOP 160 psi | 5.236 | 0.630 | 2.441 | 0.709 | 3.880 | |
| 2" | 63 - 2" - MOP 160 psi | 6.378 | 0.787 | 3.071 | 0.709 | 4.750 | |
| 2 1/2" | 75-2 1/2"- MOP 160 psi | 7.244 | 0.787 | 3.622 | 0.709 | 5.500 | |
| 3" | 90 - 3" - MOP 160 psi | 7.638 | 0.787 | 4.370 | 0.709 | 6.000 | |
| 4" | 110/125 - 4" - MOP 160 psi | 9.015 | 0.787 | 5.236 | 0.709 | 7.500 | |
| 6" | 160 - 6" - MOP 160 psi | 11.141 | 0.866 | 7.008 | 0.945 | 9.500 | |
| 8" | 200/225 - 8" - MOP 160 psi | 13.582 | 0.866 | 9.291 | 0.945 | 11. 750 | |
| 10" | 250 - 10" - MOP 160 psi | 16.22 | 0.984 | 11.339 | 1.063 | 14.250 | |
| 12" | 315 - 12" - MOP 160 psi | 19.17 | 0.984 | 13.307 | 1.260 | 17.000 | |

Sign up for our mailing list to stay informed and up to date with our latest news and products!
(905) 832 – 0600
2175-A Teston Road
Maple, Ontario
L6A 1T3
(780) 451 – 0238
24790 – 117 Avenue
Acheson, Alberta
T7X 6C2
(604) 882 – 1564
9511 – 194A Street
Surrey, British Columbia
V4N 4G4
(306) 955 – 6005
3926 Arthur Rose Avenue Saskatoon, Saskatchewan
S7P 0C9
(450) 687 – 2721
2750 Rue Bernard-Lefebvre
Laval, Quebec
H7C 0A5






















